Pístové stroje

Lekce 1: Pístová čerpadla

Tato lekce popisuje základní postup při návrhu a konstrukci pístových čerpadel.

Kapitola 1: Princip funkce stroje a jeho použití

Pístová čerpadla jsou stroje, dopravující kapalinu z níže položeného místa do výše položeného místa. Čerpadlo nasaje určitý objem kapaliny ze sacího traktu do uzavřeného prostoru válce a vytlačí jej pístem do výtlačného traktu. Zde se mechanická energie stroje přímo transformuje do tlakové energie kapaliny.
U odstředivých čerpadel tento proces probíhá tak, že nejprve se lopatkami předává energie kapalině, která se urychlí a dále je kapalina vedena do rozšiřujícího se prostoru, kde tím, že se zpomalí (rovnice kontinuity), vzroste její tlak (Bernoulliho rovnice). Vzhledem k tomu, že jakékoliv zrychlení kapaliny či její zpomalení nese s sebou ztráty energie, je účinnost pístových čerpadel vyšší než u odstředivých. Další výhodou pístových čerpadel je samonasávací schopnost, menší citlivost k tlakovým změnám a schopnost čerpat kapaliny o vyšší viskozitě.
Nevýhodou pístových čerpadel jsou mnohem větší rozměry, nerovnoměrnost dodávaného množství, vyšší cena stroje a složitější údržba.  

Kapitola 2: Základní části stroje

Základní části pístového čerpadla včetně klikového mechanismu jsou popsány u jednotlivých čerpadel.   

Kapitola 3: Návrh základních rozměrů pracovních částí

Sání
Při sání, se zvětšuje prostor před pístem, tím dojde ke snížení tlaku v prostoru válce, což vede k otevření sacího ventilu a nasátí čerpané kapaliny.
Tlak pa, který působí na spodní kapalinu a vtlačí kapalinný sloupec do tohoto prostoru, musí překonat odpor v sacím potrubí a kapalinu urychlit na rychlost cs.
Při podmínce stálé výšky spodní hladiny, můžeme psát Bernoulliho rovnici
Ztrátovou energii v sacím řádu, která se skládá ze ztrát v sacím koši, třením kapaliny o potrubí a místních ztrát vlivem ohybu potrubí či změnou průřezu potrubí můžeme určit z rovnic
Sací měrná energie čerpadla Ys je závislá na atmosférickém tlaku, sacím tlaku a hustotě čerpané kapaliny. Atmosféricky tlak je závislý na nadmořské výšce. Nejnižší možný sací tlak je tlak, při němž kapalina začne vřít při stávající teplotě. Proto je nutno při čerpání horkých kapalin zajistit nátok (záporná sací výška).
 
Výtlak
Při vytlačování musí čerpadlo vytlačit kapalinu do geodetické výtlačné výšky a překonat odpory ve výtlačném potrubí.
Kde pv je výtlačný tlak (Pa)
cv je rychlost ve výtlačném potrubí (max. 3 m/s)
½(cv 2 – cs 2) = Yk (kinetická měrná energie potřebná pro urychlení kapaliny na výtlačnou rychlost ze sací rychlosti)
ztrátová energie výtlačného řadu
 
Celková měrná energie čerpadla a jeho účinnosti
Celková dopravní výška
H = Hs + Hv 
Měrná energie čerpadla
Y = Ys + Yv 
U pístových čerpadel se uvažují následující účinnosti:
Objemová účinnost
Kde Qvt je teoretická velikost výtlačného prostoru.
 
Hydraulická účinnost
Kde Yt je teoretická hodnota bez ztrát třením, ohybem, změnou průřezu atd.
ηh = 0,96 až 0,97
 
Mechanická účinnost
Zahrnuje veškeré mechanické ztráty v ložiskách, v ucpávkách, třením pístu o válec atd.
ηm = 0,97 až 0,98
Celková účinnost čerpadla je souhrnem dílčích ztrát a bývá obvykle 0,92 až 0,95.
 
Obrázek: Schéma čerpací stanice 
  1. Jednočinná pístová čerpadla
Hlavní rozměry (průměr pístu a zdvih) se určí z požadovaného objemového průtoku QV(m3/s) a otáček f (1/s). Otáčky se obvykle pohybují od 2 do 10 otáček za sekundu. Platí pravidlo, že čím je větší průměr pístu, tím jsou menší lopatky. Je to z důvodu setrvačných sil při pohybu v krajních polohách (horní a dolní úvrať).
 
 
 
 
 
 
 
 
 
 
 
 
Pro jednočinné čerpadlo platí vztah
 
Poměr λ = L/D se volí v závislosti na výtlačném tlaku
(MPa)
2 až 10
0,1 až 2
10 až 20
20 až 30
λ = L/D
0,8 až 2
2 až 4
3 až 5
4 až 7
Obrázek: Jednočinné pístové čerpadlo 
  
  1. Dvojčinná pístová čerpadla
Obrázek: Dvojčinné pístové čerpadlo
Pro dvojčinné čerpadlo platí vztah
Průřez pístnice se obvykle volí 15% plochy pístu.
 
  1. Diferenciální pístová čerpadla
Obrázek: Diferenciální pístové čerpadlo
U diferenciálního čerpadla se nejprve určí průměr většího pístu a jeho zdvih jako u jednočinného čerpadla. Vzhledem k tomu, že chceme, aby byl průtok na výstupu rovnoměrnější, tak rozdělíme výsledné množství na dva stejné díly. Teda jedna polovina množství vytlačovaná velkým pístem, se vytlačí přímo do výtlaku a druhá polovina se přepouští do prostoru malého pístu. Při dalším pohybu malý píst vytlačí toto množství do výtlaku, zatím co velký píst nasává další kapalinu.
 
Musí tedy platit
 
  1. Zdvižná pístová čerpadla
Obrázek: Jednočinné zdvižné čerpadlo 
Postup výpočtu je shodný s jednočinným čerpadlem. Vzhledem k tomu, že se tento princip čerpání používá v současné době u ručních čerpadel (tzv. pump), je třeba uvažovat zdvih daleko větší. Jeho hodnota je závislá na vyřešení části ruční páky. Průměry pístu se obvykle pohybují od 80 do 150 mm.
Pro rovnoměrnější průtok na výtlaku, je možno použít diferenciální uspořádání zdvižného čerpadla. Výpočet je obdobou výpočtu klasického diferenciálního čerpadla.
Obrázek: Diferenciální zdvižné čerpadlo
 
Podle počtu válců se rozdělují na:
    1. jednoválcová pístová čerpadla
    2. víceválcová pístová čerpadla
U víceválcových čerpadel je nutno zahrnout do výpočtu ještě počet válců i, takže platí pro jednočinné čerpadlo
Obdobně by pro víceválcové dvojčinné čerpadlo platilo
 
 Případně pro víceválcové diferenciální čerpadlo platí
 
Části pístových čerpadel
Ventily
Většinou se používají samočinné ventily, které se otvírají a zavírají na základě rozdílu tlaku před a za ventilem. Uzavírají se vlastní tíží a jsou obvykle přitlačovány pružinou. Řešení dynamiky ventilů je značně obtížné.
 
Výpočet ventilu
Potřebný průřez sedla ventilu se určí z rovnice kontinuity.
Pro různé typy ventilu platí:
- pro talířový ventil
 
Obrázek: Talířový ventil
1 - těleso ventilu, 2 - sedlo ventilu, 3 - talíř, 4 - vedení talíře, 5 - pružina
 
- pro prstencový ventil
Obrázek: Prstencový ventil
1 - prstenec, 2 - ventil, 3 - vedení, 4 - pružina, 5 - šroub
 
Největšího zdvihu dosáhne ventil přibližně při maximální rychlosti pístu
  
Potom z rovnice kontinuity můžeme určit hodnotu potřebného zdvihu
 
Průtoková rychlost cMAX v mezeře se volí:
Pro malé dopravní výšky
cMAX = (1,5 až 3) m/s
Pro střední dopravní výšky
cMAX = (2 až 4) m/s
Pro velké dopravní výšky
cMAX = (4 až 6) m/s
 
Odpor ventilů stejné konstrukce je funkcí hmotnosti talíře či prstence a síle pružiny, které jsou v rovnováze s tlakem kapaliny pod ventilem
Tento tlak je větší, než je odpor ventilu. Hodnoty ψ určíme z diagramu.
Obrázek: Závislost součinitele psí na hodnotě x 
Odpor ventilu je závislý na jeho konstrukčním řešení, ale hlavně na poměru
U čerpadel s vyššími otáčkami se volí malé x, aby zdvih byl menší. Největší zdvih bude pro x = 1.
Potom obdržíme:
- pro talířový ventil
 
- pro prstencový ventil
Ze zdvihu lze také vypočítat síly a rozměry pružiny
Potřebná síla pro zvednutí uzavřeného ventilu

Kapitola 4: Cvičení

  1. V programu Inventor vymodelujte 3D sestavu talířového ventilu a zpracujte výkres sestavení. Zadání dle přiložených souborů - výkresů (odkaz).

Kapitola 5: Kontrolní otázky

  1. K čemu slouží pístová čerpadla?
  2. Co je nevýhodu pístových čerpadel, popř. jak lze tuto nevýhodu eliminovat?
  3. Jaké jsou hlavní výhody pístových čerpadel?

Kapitola 6: Autotest

  1. Jakým způsobem se řeší problém nerovnoměrnosti dodávaného množství kapaliny u pístových čerpadel.



     
  2. Které tvrzení je správné?



     
  3. Jaké jsou obvyklé otáčky u jednočinného pístového čerpadla?



     
  4. K čemu dochází při sání?



     
  5. Jaký je nejnižší možný sací tlak?



     

Lekce 2: Pumpa

Tato lekce popisuje základní postup při návrhu a konstrukci ruční pumpy.

Kapitola 1: Princip funkce stroje a jeho použití

Používají se při čerpání vody ze studní. Ve válci čerpadla se pohybuje píst, ve kterém je umístěn horní ventil. Při pohybu pístu dolů (1), píst se přetlakem otevře a do vnitřního prostoru pístu vniká kapalina. Při pohybu pístu nahoru (2) se pod tlakem otevře spodní ventil a do prostoru pod pístem je nasávána kapalina. Po dosáhnutí horní úvrati se píst začne pohybovat dolů a děj se opakuje (3 a 4). Jakmile kapalina dosáhne výtokový nátrubek, začne vytékat mimo těleso čerpadla.
Tento způsob se používá ve spojení s pákou, která je zahnutá tak, aby vyhovovala účelu.
Obrázek: Princip funkce pumpy  

Kapitola 2: Základní části stroje

DWF - Pumpa
Flash animace postupů tvorby jednotlivých částí stroje
 
Obrázek: Poloviční řez pumpou 
 
Obrázek: Řešení dolního a horního ventilu
Obrázek: Řešení průtočného pístu spojeného se spodním ventilem
Obrázek: Krajní poloha madla pumpy - horní 
Obrázek: Krajní poloha madla pumpy - dolní    

Kapitola 3: Návrh základních rozměrů pracovních částí

Výpočet potřebné zdvižné síly
Obrázek: Výpočet zdvižné síly
  
Provozní součinitel k závisí nejen na třecích ztrátách, ale i na potřebné velikosti síly, která je nutná k tomu, aby mechanismus překonal setrvačné síly hmotného mechanismu a čerpané kapaliny.
Výpočet základních parametrů pumpy 
 

Kapitola 4: Cvičení

  1. Navrhněte pomocí programu Microsoft Excel základní rozměry pracovních částí ruční pumpy dle zadání. Zadání: dle vyučujícího
  2. Vytvořte pomocí programu Inventor 3D model sestavy ruční pumpy dle zadání a zpracujte výkres sestavení.

Kapitola 5: Kontrolní otázky

  1. Z jakých hloubek je možno čerpat vodu pomocí ruční pumpy?
  2. Jakou úlohu plní u pumpy ventily?
  3. Jaké materiály jsou použity při výrobě ruční pumpy?

Kapitola 6: Autotest

  1. Z jakého materiálu je zpravidla vyrobeno tělo pumpy?



     
  2. Kolik ventilů je umístěno v pístu pumpy?



     
  3. Mění se hustota vody při zahřívání?



     
  4. Jaká je hodnota gravitačního zrychlení g (metr/sekunda na druhou)?



     
  5. Jaké je maximální dodávané množství ruční pumpy?



     

Lekce 3: Zdvižné čerpadlo

Tato lekce popisuje základní postup při návrhu a konstrukci zdvižného čerpadla.

Kapitola 1: Princip funkce stroje a jeho použití

Používají se při čerpání vody z hlubokých studní. Podle konstrukce jsou jednočinná či diferenciální. Ve válci čerpadla se pohybuje píst, ve kterém je umístěn horní ventil. Při pohybu pístu dolů (1), píst se přetlakem otevře a do vnitřního prostoru pístu vniká kapalina. Při pohybu pístu nahoru (2) se pod tlakem otevře spodní ventil a do prostoru pod pístem je nasávána kapalina. Po dosáhnutí horní úvrati se píst začne pohybovat dolů a děj se opakuje (3 a 4). Jakmile kapalina dosáhne výtokový nátrubek, začne vytékat mimo těleso čerpadla.
Obrázek: Princip funkce zdvižného čerpadla
Tento způsob se používá ve spojení s jednoduchým klikovým nebo vačkovým mechanismem a potom mluvíme o tzv. kyvných čerpadlech. Tato bývají poháněna větrnou energií a jsou často součástí osamělých farem. Také ve spojení s klikovým mechanismem s protizávažím se používá na dočerpávání ropy.

Kapitola 2: Základní části stroje

DWF - zdvižné čerpadlo
Flash animace postupů tvorby jednotlivých částí stroje
Obrázek: Diferenciální zdvižné čerpadlo
Obrázek: Jednočinné zdvižné čerpadlo
Pro ukázku je uvedeno několik detailů konstrukce zdvižného čerpadla.
Obrázek: Celková sestava zdvižného čerpadla
Obrázek: Řešení dolního a horního ventilu

Kapitola 3: Návrh základních rozměrů pracovních částí

Výpočet potřebné zdvihové síly
Obrázek: Výpočet zdvihové síly
 
Provozní součinitel k závisí nejen na třecích ztrátách, ale i na potřebné velikosti síly, která je nutná k tomu, aby mechanismus překonal setrvačné síly hmotného mechanismu a čerpané kapaliny.
Na následujících vyobrazení jsou dva základní typy zdvižného čerpadla. Diferenciální čerpadlo má vyrovnaný průtok oproti klasickému čerpadlu, kdy k výtoku čerpané kapaliny dochází jen při pohybu pístu nahoru.
 
Program:
 
Výpočet:
 

Kapitola 4: Cvičení

  1. Navrhněte pomocí programu Microsoft Excel základní rozměry pracovních částí zdvižného čerpadla dle zadání. Zadání: dle vyučujícího
  2. Vytvořte pomocí programu Inventor 3D model sestavy zdvižného čerpadla dle zadání a zpracujte výkres sestavení.

Kapitola 5: Kontrolní otázky

  1. K jakému účelu se nejčastěji využívají zdvižná čerpadla?
  2. Jaký je rozdíl mezi ruční pumpou a zdvižným čerpadlem?
  3. Na čem závisí hodnota provozního součinitele k?

Kapitola 6: Autotest

  1. V jakém rozmezí se pohybuje hodnota provozního součinitele k?



     
  2. V jakých jednotkách udáváme účinnost čerpadla?



     
  3. Co se děje při pohybu pístu dolů?



     
  4. Co se děje při pohybu pístu nahoru?



     
  5. Co se stane když kapalina dosáhne výtokový nátrubek?



     

Lekce 4: Tříválcové pístové čerpadlo

Tato lekce popisuje základní postup při návrhu a konstrukci tříválcového pístového čerpadla.

Kapitola 1: Princip funkce stroje a jeho použití

V dalším textu se seznámíte s konstrukcí a základním výpočtem rozměrů tříválcového pístového čerpadla. Koncepce klikového mechanismu je tzv. prodloužený klikový mechanismus, který obsahuje křižák a vedení křižáku.
Čerpadlo je složeno ze tří jednočinných čerpadel, které mají společný klikový hřídel se vzájemným úhlem klik 120° a společný rám. Těmito čerpadly se dopravují studené kapaliny (voda nebo olej) do hydraulických lisů. Mezi čerpadlo a lis bývá vložen hydraulický akumulátor, který je zásobníkem tlakové vody nebo oleje, protože čerpadlo pracuje nepřetržitě, kdežto lis spotřebuje tlakovou kapalinu jen při pracovním zdvihu. S akumulátorem je spojeno také pojistné přetlakové zařízení, upravené pod sacím ventilem čerpadla. Překročí-li tlak o 10 % tlak provozní, nadzvednou se pojistným zařízením sací ventily a čerpadlo běží naprázdno.
Těleso všech tří čerpadel tvoří jeden kus, vykovaný z oceli. Všechny otvory a dutiny jsou v tělese vyvrtány. Ocelové, kalené a broušené písty jsou vedeny v bronzových pouzdrech. Píst je těsněn ucpávkou s koženými manžetami. K výměně manžet je nutno uvolnit šrouby ojniční hlavy u klikového hřídele a povytáhnout ojnici s křižákem a pístem směrem do klikové skříně.
Ventily jsou zhotoveny z bronzu a jsou i s ventilovými sedly shora vkládány do tělesa čerpadla. Otvor pro ventily je pak uzavřen zátkou se závitem. Kliková skříň je těsně uzavřena víkem. Hřídel je veden ve válečkových ložiskách. Ojnice, křižák a ložiska jsou mazány olejem, který je v klikové skříni rozstřikován. Na klikové skříni je hrdlo k nalévání oleje.
Čerpadlo může být vyřazeno z činnosti buď automaticky (při vzestupu tlaku v akumulátoru nad provozní tlak), nebo také ručně tím, ze pootočíme vřeteno regulačního zařízení o 90°. Na horní konec vřetena je nasazena hlava s šikmým výřezem, do kterého zasahuje vodící šroub. Pootočením vřetena rukojetí se vřeteno nadzvedne a tím se přidrží sací ventil otevřený. Tak lze vyřadit z činnosti jeden, dva nebo všechny tři písty. 

Kapitola 2: Základní části stroje

DWF - Tříválcové pístové čerpadlo
Flash animace postupů tvorby jednotlivých částí stroje
Obrázek: Sestava čerpadla 
Obrázek: Základní části klikového mechanismu včetně bloku regulace sacího ventilu
Obrázek: Popis čerpadla
Obrázek: Klikový hřídel
Obrázek: Těleso čerpadla
Systém regulace sacího ventilu odtlačením
Hlava regulační tyče je opatřena válcovou vačkou. Ta se při otáčení posouvá po čepu a tak dochází k jejímu axiálnímu posunu. Tím dojde k posunutí sacího ventilu, který zůstává otevřen, a tím dojde k odstavení válce, u kterého je sací ventil trvale otevřen. Čerpadlo do válce nasává a zpětně kapalinu vytláčí skrze sací ventil do sacího traktu.
Obrázek: Systém regulace
Obrázek: Sací ventil - dosedá
Obrázek: Sací ventil - odtlačen    

Kapitola 3: Návrh základních rozměrů pracovních částí

Následuje program v EXCELu pro výpočet předběžných rozměrů tříválcového pístového čerpadla. Je nutno postupovat souběžně s vytvářením modelu čerpadla ve 3D. Nelze totiž předem stanovit veškeré volené rozměry. Vždy je nutno postupovat souběžně. Rozměry z modelu přenášet do výpočtu, či z výpočtu do modelu.
Program výpočtu:
 
 
 
 
 
 
 
 
 
 
 
 
  
Výpočet:
    

Kapitola 4: Cvičení

  1. Navrhněte pomocí programu Microsoft Excel základní rozměry pracovních částí tříválcového pístového čerpadla dle zadání. Zadání: dle vyučujícího
  2. Vytvořte pomocí programu Inventor 3D model sestavy tříválcového pístového čerpadla dle zadání a zpracujte výkres sestavení.

Kapitola 5: Kontrolní otázky

  1. Kde se můžeme setkat s tříválcovým pístovým čerpadlem?
  2. Jaké jsou výhody tohoto typu čerpadla?
  3. Jakým způsobem je provedena u čerpadla regulace?

Kapitola 6: Autotest

  1. Jaký typ klikového mechanismu obsahuje tříválcové pístové čerpadlo?



     
  2. Jaký úhel svírají kliky u tříválcového pístového čerpadla?



     
  3. Co se stane, když překročí tlak o 10 % tlak provozní?



     
  4. Z jakého materiálu jsou vyrobeny ventily?



     
  5. Jakými způsoby lze vyřadit čerpadlo z provozu?



     

Lekce 5: Pístový kompresor

Tato lekce popisuje základní postup při návrhu a konstrukci pístových kompresorů.

Kapitola 1: Princip funkce stroje a jeho použití

Kompresory jsou stroje, které slouží k stlačování plynů a par. Pístové kompresory dosahují středních a vysokých výtlačných tlaků. Přitom se používají i pro velké objemové průtoky.
Rozděleni kompresorů na základě velikosti vstupního a výstupního tlaku
Vývěvy - jsou stroje, které nasávají při tlaku nižším než je tlak barometrický a výtlačný tlak je blízký tlaku barometrickému.
Dmychadla - jsou stroje, které nasávají při tlaku nižším než je tlak barometrický a výtlačný tlak je vyšší než je tlak barometrický (cca 0,3 MPa).
Kompresory - jsou stroje, které nasávají při barometrickém tlaku a výtlačný tlak je značně vyšší než 0,3 MPa.
Podle počtu stupňů je dále dělíme na jednostupňové a vícestupňové.
Pracovní oběh
Pracovní oběh pístového kompresoru je dán vratným pohybem pístu, který postupně plyn nasává, stlačuje a vytlačuje. S pojmy jako pracovní diagram kompresoru,objemová účinnost,kompresní poměr atd. se blíže seznámí student v dalších předmětech (Stavba a provoz strojů, Mechanika - termomechanika, Fyzika.).
Uspořádání kompresorů
Jednostupňové kompresory se používají pro menší objemové průtoky, konstruují se většinou jako stojaté jednoválcové stroje. Pro střední průtoky se používají stojaté víceválcové stroje. Větší jednostupňové stroje mohou mít koncepci válců řadových nebo řadových do V nebo W. Existuje široká možnost řešení základní koncepce stroje.
Dvoustupňové kompresory pro menší a střední průtoky, se vyrábějí jednoválcové či víceválcové s diferenciálními písty. Dvojčinné dvoustupňové kompresory mají válce svislé, ležaté či tandemové.
S dalšími hlavními komponenty, jako jsou rozvody kompresorů (ventily, případně způsoby ovládání ventilů) se seznámí student v předmětu Stavba a provoz strojů, či ve vhodné studijní literatuře. 

Kapitola 2: Základní části stroje

DWF - Jednostupňový pístový kompresor
Flash animace postupů tvorby jednotlivých částí stroje
Obrázek: Jednostupňový pístový kompresor - sestava
Obrázek: Jednostupňový pístový kompresor - průhledné části
 
Obrázek: Jednostupňový pístový kompresor - poloviční řez
Obrázek: Jednostupňový pístový kompresor - tříčtvrtinový řez 
 
 
 
 
 
 
 
DWF - Dvouválcový kompresor
Flash animace postupů tvorby jednotlivých částí stroje
Obrázek: Dvouválcový kompresor - sestava
Obrázek: Pohyblivé části
Obrázek: Skříň - pohled 1
Obrázek: Skříň - pohled 2
 
Obrázek: Klikový hřídel
Obrázek: Ojnice
Obrázek: Píst a čep
Obrázek: Píst a čep - řez
Obrázek: Válec
Obrázek: Ventil - řez 
  
DWF - Třístupňový tandemový kompresor
Flash animace postupů tvorby jednotlivých částí stroje
Obrázek: Třístupňový tandemový kompresor - sestava
Obrázek: Sestava pohyblivých částí 
 
 
 
 
 
DWF - Prstencový ventil
Flash animace postupů tvorby jednotlivých částí stroje
Obrázek: Prstencový ventil - sestava
Obrázek: Prstencový ventil - řez 
   
DWF - Talířový ventil
Flash animace postupů tvorby jednotlivých částí stroje
Obrázek: Talířový ventil - sestava
Obrázek: Talířový ventil - řez    

Kapitola 3: Návrh základních rozměrů pracovních částí

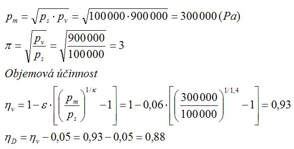
Objemová účinnost
Poměr skutečně nasátého objemu plynu VS a zdvihového objemu VZ se nazývá objemová účinnost.
Obrázek: Teoretický diagram kompresoru
 
 
 
 
 
 
 
 
 
 
 
 
 
 
 
 
 
Výpočet hlavních rozměrů a příkonu stroje
Pro výpočet průtočného množství platí:
 
 
 
 
 
 
Při kompresním poměru π>4 je nutno volit místo adiabatické změny změnu polytropickou.
Dosadíme a upravíme základní vzorec:
Z této rovnice vypočteme průměr pístu D a dle vhodné velikosti těsnících kroužků zvolíme vhodnou velikost. Při výpočtu je nutno dodržet dosazení hodnot ve správných jednotkách. Doporučujeme proto z vypočtených rozměrů D a L přepočítat zda čerpané množství bude odpovídat požadavku zadání.
Dále určíme velikost zdvihu L, platí L=λ.D
Dále je nutno zkontrolovat střední rychlost pístu.
Z uvedených a zvolených údajů můžeme odvodit průměr pístu a tím upřesnit či potvrdit původní volbu:
Výkon kompresoru
Plocha diagramu Q-p výkonnostního diagramu odpovídá výkonu kompresoru. Určí se ze vzorce:
Obrázek: Hodnoty poměru λ = L/D  
 
Obrázek: Střední pístová rychlost cs (m/s)
 
Dvoustupňový kompresor 
Obrázek: Diagram - 2 stupně
Nejoptimálnější rozdělení celkového kompresního poměru na dva stupně - použijeme vztah pro výpočet mezitlaku pm.
Dále platí vztah pro kompresní poměr, který je označován písmenem π, pozor nezaměňovat s Ludolfovým číslem.
 
Pro plochy pístů musí platit (předpokládáme adiabatickou kompresi):
Dvoustupňový kompresor můžeme dále koncepčně řešit jako:
- víceválcový se samostatnými písty
- jednoválcový s diferenciálním pístem
Na následujících obrázcích jsou zobrazeny některé možnosti řešení dvoustupňového kompresoru.
Obrázek: Dvoustupňový kompresor řadový
Obrázek: Dvoustupňový kompresor s diferenciálním pístem
Obrázek: Dvoustupňový kompresor s tandemovým pístem
Obrázek: Dvoustupňový kompresor s tandemovým pístem - diferenciální

Příklad

Určete základní rozměry pro následující parametry.
Pro konstrukční řešení budeme volit koncepci stojacího dvouválcového kompresoru.
 
Volím f = 10 (1/s), λ = 0,5
Pro další pevnostní výpočty musíme stanovit výsledné síly na písty při kompresi nasátého plynu.
Z výsledku je zřejmé, že bude možno volit stejný tvar ojnice jak pro I. stupeň tak i pro II. stupeň.
 
 
 
 
Dvoustupňový kompresor s tandemovým pístem
Určete základní rozměry pro následující parametry:
Volím f = 10 (1/s), λ = 0,5
Pro další pevnostní výpočty musíme stanovit výsledné síly na píst při pohybu.
Zde je jasně zřejmá výhoda koncepce diferenciálního pístu. Jak při pohybu vpravo tak i vlevo je síla na píst stejná.
Trojstupňový kompresor s tandemovým pístem
Určete základní rozměry pro následující parametry:
Volím f = 15 (1/s), λ = 0,5

Kapitola 4: Cvičení

  1. Navrhněte pomocí programu Microsoft Excel základní rozměry pracovních částí třístupňpvého tandemového kompresoru dle zadání. Zadání: Qv = 0,12 m3/s (nasávané množství), ps = 100 000 Pa (tlak na sání), pv = 850 000 Pa (tlak na výtlaku), ε = 0,06 (poměrná velikost škodného prostoru).
  2. Vytvořte pomocí programu Inventor 3D model sestavy třístupňového tandemového kompresoru dle zadání.

Kapitola 5: Kontrolní otázky

  1. K jakému účelu kompresory slouží?
  2. Jak lze charakterizovat rozdíl mezi vývěvou a dmychadlem?
  3. Co je to kompresní poměr?

Kapitola 6: Autotest

  1. Jaká koncepce řazení válců se používá u větších jednostupňových kompresorů?



     
  2. Pro jaké průtoky se používají dvoustupňové kompresory?



     
  3. V jakém rozsahu se pohybuje hodnota poměrné velikosti škodného (mrtvého) prostoru?



     
  4. Jakým písmenem řecké abecedy označujeme kompresní poměr?



     
  5. Jaký poměr určuje hodnota lambda - poměr zdvihu?



     

Lekce 6: Vznětový motor

Tato lekce popisuje základní postup při návrhu a konstrukci vznětových motorů.

Kapitola 1: Princip funkce stroje a jeho použití

Pístový spalovací stroj je tepelný motor, kde se část energie vzniklá spálením paliva přemění v tlakovou energii. Tato energie se pomocí vhodného mechanismu mění na mechanickou energii. Jako nejpoužívanější mechanismus k přeměně tlakové energie na mechanickou se v současné době používá klikový mechanismus.
Přeměna energie se děje změnami stavu plynu, které tvoří tzv. tepelný oběh. Blížší údaje viz TERMOMECHANIKA PAR A PLYNŮ.
Vynálezcem je Rudolf Diesel. Nápad mu vnukla tzv. malajská trubice [12], což je vlastně dobře těsnící trubička s pístem na jejímž dně je hořlavá látka. Stlačením pístu vzniká v trubici velký tlak a vzduch se rychle zahřeje natolik, že se látka na dně vznítí.
Princip vznětového motoru:
Do stlačeného rozžhaveného vzduchu se vstříkne hořlavá směs, která se okamžitě zapálí. Pak následuje vypuštění zplodin a nasátí nového vzduchu, který se opět stlačí.
Diesel si nechal svůj vynález patentovat a zakrátko ohromně zbohatl. Jako palivo zkoušel olej na svícení nebo uhelný prach, prostě levné zdroje. Každá hořlavá látka se vznítí při takovém tlaku a teplotě. Nakonec nejlepší výsledky zaznamenal u nafty a tak se s malými obměnami používá až dodnes.
První velkou podporou pro dieselové motory se stala továrna na výrobu kamionů a těžkých dopravních strojů značky MAN, která sídlí v Augsburgu v Německu. Velká přednost dieselových motorů spočívá v tažné síle v nízkých otáčkách, což je velmi výhodné pro přepravu těžkého nákladu na velké vzdálenosti. Další výhoda dieselových motorů je v jejich účinnosti. Pro porovnání: motory, kterými byly poháněny vlaky té doby, měly účinnost okolo 10%. Rudolf Diesel počítal s tím, že jeho motory budou využívat palivo na 73 %. Bohužel to byly jen teorie a přání. V době svého vynalezení měly diesely účinnost okolo 20 %, dnes je to až 40 %.
Vznětové motory rozlišujeme na dvoutaktní a čtyřtaktní. Počet dob ne vždy závisí na počtu válců. Může se jednat o jednoválec nebo také šesti, osmi, dvanácti, šestnácti a dokonce i čtyřiadvacetiválec. Válce pracují na čtyři doby (u čtyřtaktu) a jen si mezi sebou rozdělí čas, takže například u čtyřiadvacetiválce se nachází vždy šest pístů v jedné fázi najednou.
Bližší údaje o tepelných motorech jsou v doporučené literatuře. 

Kapitola 2: Základní části stroje

Vlastní provedení 3D modelu vznětového motoru
DWF - Vznětový motor
Flash animace postupů tvorby jednotlivých částí stroje
Následují obrázky hlavních konstrukčních částí a uzlů vznětového motoru.
Obrázek: Stacionární vznětový motor
Obrázek: Stacionární vznětový motor - bez bloku
Obrázek: Vstřikovací čerpadlo
Obrázek: Klikový mechanismus 
Obrázek: Část klikového mechanismu v řezu
Obrázek: Válec
Obrázek: Píst včetně čepu a pojistných kroužků   

Kapitola 3: Návrh základních rozměrů pracovních částí

VÝPOČET HLAVNÍCH ROZMĚRŮ SPALOVACÍHO MOTORU
Jako vstupní hodnoty při výpočtu bývají požadovaný výkon motoru (kW), a jeho otáčky (1/s).
Z těchto hodnot také vychází základní výpočet. Je jasné, že lze výpočet také obměnit, že např. z průměru pístu, počtu válců, střednímu tlaku atd. můžeme zase určit výkon.
Při odvození rovnic pro stanovení hlavních rozměrů motoru vycházíme z následujících vztahů.
Pro výkon platí
Kde
Vzhledem ke skutečnosti, že hodnota tlaku plynu se při pohybu pístu mění, zavádíme tzv. pstř. Určení této hodnoty je na základě tzv. Indikátorových diagramů.
Platí tedy
Vzhledem k tomu, že i okamžitá rychlost pístu se mění v závislosti na okamžité velikosti úhlu natočení kliky klikového hřídele, zavedeme tzv. střední rychlost pístu vstř.
Při otočení klikového hřídele o jednu otáčku, urazí píst dráhu 2 krát zdvih L. Toto se odehraje za jednu sekundu tolikrát, kolik má hřídel otáček za sekundu.
Platí tedy
Pro výkon tedy máme rovnici
U čtyřtaktního motoru je jen jeden takt pracovní, to znamená, že na dvě otáčky připadá jen jeden pracovní takt. Dostaneme tedy jen čtvrtinu tohoto výkonu.
Pokud bude mít motor více válců, tak celkový výkon bude vynásoben počtem válců i.
Zavedeme-li součinitel λ = L/D → L = λ.D
Pro součinitel λ = L/D platí:
 
λ >1
nadčtvercový motor
λ =1
čtvercový motor
λ <1
podčtvercový motor
Po dosazení obdržíme
Další rozměr odvodíme z následujícího vztahu
Tím máme dva základní rozměry pro návrh uvedeného motoru.
Pro výpočty uvádíme následující doporučené údaje. Je nutno k těmto doporučeným hodnotám přistupovat s vědomím, že technický vývoj v oboru spalovacích motorů udělal velký vývojový skok. Většina těchto údajů může být již v dnešní době podstatně jiná. Proto je nutno si zjistit upřesňující hodnoty v nejnovější technické literatuře, nebo prostřednictvím Internetu. Je ale skutečností, že tyto hodnoty se spíše zjistí v motoristických časopisech než u výrobců. Tito uvedené údaje považují za firemní tajemství.
Doporučení pro výpočet
Hlavní určující rozměry jsou Dpístu a zdvih L.
Při výpočtu obvykle vycházíme z požadovaného výkonu a druhu motoru.
Počet válců
Čím je počet válců větší, tím je chod motoru pravidelnější, lépe se spouští a vyvažuje. Má také menší rozměry a tím i menší hmotnost. Pochopitelně jsou i vyšší výrobní náklady a tím i cena.
Volba součinitele λ
Pro zážehový motor se doporučuje λ = 0,6 až 1,1.
Pro vznětový motor se doporučuje λ = 0,9 až 2,2.
Čím je součinitel λ menší, tím je vrtání válců větší. Lze tedy použít více ventilů. Je také menší střední rychlost pístů a klikový mechanismus má větší tuhost.
 
Volba počtu otáček
Se vzrůstajícím počtem otáček dochází ke zmenšení rozměrů motoru a tím i hmotnosti. Pochopitelně je zde vyšší požadavek na přesnost výroby, vyvážení klikového mechanismu, ložiska a chlazení.
 
DRUH MOTORU
OTÁČKY f (1/s)
motocyklové
80 až 150
osobní automobily
60 až 90
zážehové nákladní automobily
50 až 70
vznětové nákladní automobily
30 až 50
sportovní vozidla
150 až 300
traktory
15 až 30
 
Volba střední pístové rychlosti
Nižší rychlosti pístu snižují setrvačné síly v klikovém mechanismu a namáhání klikového mechanismu.
 
DRUH MOTORU
vstř (m/s)
stacionární pomaluběžné
4 až 6
stacionární rychloběžné
6 až 8,5
osobní automobily
8 až 15
nákladní automobily
7 až 13
traktory
5 až 7,5
sportovní a závodní vozy
18 až 22
letecké motory
10 až 15
 
DRUH MOTORU
Pstř (MPa)
vozidlové zážehové čtyřdobé
0,4 až 0,9
vozidlové vznětové čtyřdobé
0,6 až 0,8
vozidlové vznětové čtyřdobé přeplňované
1 až 1,5
dvoudobé zážehové
0,4 až 0,5
dvoudobé vznětové
0,3 až 0,4
dvoudobé vznětové s přeplňováním
0,6 až 0,9
 
PRO OPAKOVANÉ VÝPOČTY JE VHODNÉ POUŽÍT TABULKOVÝ PROCESOR (EXCEL).
Pro čtyřdobý motor bude tedy výpočet hlavních rozměrů následující (následuje číselný výpočet):
Následuje obdobný výpočet pro dvoudobý motor:
 
Z UVEDENÉHO JE ZŘEJMÁ VELKÁ VÝHODA VÝPOČTŮ V TABULKOVÝCH PROCESORECH. NASKÝTÁ SE ZDE MOŽNOST POMOCÍ OPAKOVANÝCH VÝPOČTŮ, ZVOLIT OPTIMÁLNÍ HODNOTU.
Písty a příslušenství
Vlastní pracovní prostor pístového stroje je tvořen válcem, víkem válce a pohyblivým pístem. Dle stroje na píst tlačí tlak media, píst vykonává vratný pohyb a přenáší jej na další členy klikového hřídele. Pochopitelně tento mechanismus může pracovat jako motor, kde příčinou pohybu je tlak media na píst nebo jako čerpací agregát (čerpadlo, kompresor…), kde příčinou pohybu je otáčivý pohyb klikového hřídele, který je vyvolán jiným zdrojem rotačního pohybu. Vzhledem k tomu, že tvary pístů a jejich materiály se mění dle druhu stroje, budeme se zabývat jen tím, co je všem společné. Tímto bezesporu jsou pístní čepy, které zprostředkovávají přenos síly z pístu na ojnici či naopak.
 
 
 
 
 
 
Pístní čep
Pístní čep přenáší nejen sílu vznikající vlivem tlaku media na píst, ale také setrvačné síly, které vznikají vlivem funkce klikového mechanismu.
Pístní čep se kontroluje:
a) na ohyb
b) na otlačení v ojničním oku
c) na otlačení v okách pístu
Je pochopitelné, že uváděné hodnoty dovolených tlaků jsou orientační. Skutečné hodnoty je třeba zjistit na základě výsledně zvolených materiálů.
 
Pístní kroužky
Nejčastěji se písty utěsňují kovovými rozříznutými kroužky, které samočinně těsní.
Pístní kroužky se dělí na:
a) těsnící, zamezující pronikání plynů z pracovního prostoru nad pístem do prostoru klikové skříně
b) stírací, zamezující pronikání oleje z prostoru klikové skříně do pracovního prostoru, propouští jen malé množství oleje k mazání kluzné plochy válců.
Rozměry kroužků se volí podle ČSN (t - tloušťka, v - výška). Pro návrh slouží tyto vzorce:
 
 
 
 
Ojnice
Spojuje pístní čep s klikovým čepem. Skládá se ze dvou ojničních hlav (klikové a pístní) a dříku.
Hlavy mohou být dělené nebo uzavřené. Mohou být vybaveny kluznými nebo valivými ložisky.
Pevnostní výpočet
Ojnice je namáhána tlakem plynů ve válci, setrvačnou silou na tah, tlakem plynů na vzpěr a odstředivou silou na ohyb. U dvojčinných strojů ještě přistupuje namáhání tlakem plynů na tah.
Volíme tvar průřezu dříku ojnice. Stanovíme jeho Jx, Jy a S. Na základě teorie vzpěrné pevnosti určíme lred. v příslušných rovinách.
a) Pro λ < 60 kontrolujeme průřez dříku na prostý tlak
b) Pro λ = 60 až 105 se kontrolujeme průřez dříku na vzpěr podle Tetmajera
c) Pro λ < 105 se kontrolujeme průřez dříku na vzpěr podle Eulera
Kde Jx a Jy jsou kvadratické momenty průřezu k osám x a y.
kT a kE – součinitelé bezpečnosti (6 až 60 dle podmínek)
d) Kontrola dříku ojnice na ohyb vlivem odstředivé síly
Za předpokladu, že průřez dříku se po délce příliš nemění je rozdělení síly podél ojnice trojúhelníkového tvaru. Síla F namáhající ojnici na ohyb působí v těžišti trojúhelníka.
Ohybový moment v libovolném místě ojnice:
Návrh a kontrolní výpočet klikového mechanismu
Na obrázku je znázorněn řez části klikového mechanismu s označením rozměrů důležitých pro další výpočet.
Vzhledem k tomu, že zatím nemáme dané podklady o hmotnosti jednotlivých dílů, budeme zatížení určovat jen na základě tlaku na píst.
 
 
 
 
 
 
 
 
 
 
 
 
 
Kontrola pístního čepu na ohyb
 
Předpokládaný postup výpočtu dříku ojnice
Nejprve jsme stanovili základní rozměry ojnice, nyní se budeme věnovat volbě dříku ojnice. Vzhledem ke způsobu uložení ok ojnice je dle teorie vzpěru rozdílný způsob uchycení těchto ok ve dvou na sebe kolmých rovinách.
Obrázek: Namáhání ojnice v rovinách A a B
Z vyobrazení je zřejmé, že v případě souměrného průřezu dříku (např. kruhový průřez), by tuhost dříku ve směru (dle B) byla čtyřikrát větší než v rovině kolmé na tento směr.
Je celá řada vhodných průřezů, které jsou navrženy tak, aby splňovaly podmínku stejné tuhosti v obou hlavních rovinách kyvu ojnice.
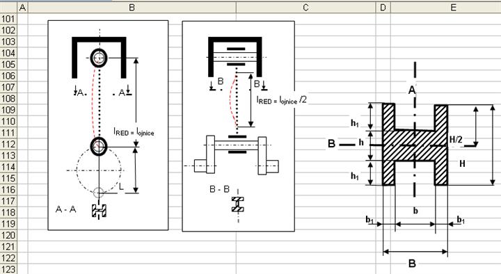
Zvolíme si následující tvar - profil H.
Vzhledem k tomu, že výpočet pomocí Steinerovy věty většině studentům působí potíže, je zvolen postup, kdy výsledný obrazec rozdělíme do dílčích obrazců, které mají těžiště plochy na příslušné ose, ke které stanovujeme kvadratický moment plochy.
Z následujícího obrázku je postup zřejmý.
Obrázek: Stanovení kvadratických momentů plochy (průřezu) 
Po vymodelování jednotlivých součástí klikového mechanismu je možno určit jejich hmotnosti, polohy jejich těžišť a další potřebné hodnoty pro určení dynamického chovaní mechanismu.
 
 
 
 
 
 
 
 
 
 
 
 
 
 
 
Program výpočtu:
Výpočet:
Kinematika klikového mechanismu
Obrázek: Kinematika klikového mechanismu
Základní vztahy pro pohyb klikového mechanismu
Dráha pístu v libovolném místě:
Pro výpočet použijeme tab. procesor EXCEL.
Musíme si nejprve stanovit časový úsek, který bude základním parametrem tabulky. Vzhledem k tomu, že budeme chtít, abychom měli hlavně údaj na točení úhlu kliky, vyjdeme z následující úvahy.
Klika se nám otočí za jednu sekundu f krát (f - jednotka 1/s). Tím urazí celkový úhel φ. Pokud chceme, aby úhlový úsek byl např. 5°, musíme provést následující výpočet:
Mějte tedy požadavek na výpočet průběhu dráhy po kroku 5°, kdy ž f = 20 (1/s)
 
Po těchto úvodních výpočtech můžeme přistoupit k výpočtům pomocí tabulky v EXCELU.
Průběh dráhy pístu
Z tabulky je zřejmé, že algoritmus výpočtu se od řádku 18 opakuje. Takže stačí naprogramovat řádky 2 až 18. Potom další řádky vytvoříme kopírováním řádku 18.
Číselný výpočet je následující
Obrázek: Graf průběhu dráhy pístu
Obdobně získáme další tabulku pro rychlost pístu:
Z tabulky je zřejmé, že algoritmus výpočtu se od řádku 18 opakuje. Takže stačí naprogramovat řádky 2 až 18. Potom další řádky vytvoříme kopírováním řádku 18.
Číselný výpočet je následující: 
Obrázek: Graf průběhu rychlosti pístu
Obdobně získáme další tabulku pro zrychlení pístu:
Z tabulky je zřejmé, že algoritmus výpočtu se od řádku 18 opakuje. Takže stačí naprogramovat řádky 2 až 18. Potom další řádky vytvoříme kopírováním řádku 18.
Číselný výpočet je následující:
Obrázek: Graf průběhu zrychlení pístu
Následující pojednání o silách působících v klikovém mechanismu bude vyloženo pouze teoreticky. Výpočty jsou totiž poměrně jednoduché a pro správné výsledky je třeba dosazovat skutečné číselné hodnoty. Tyto lze získat z 3D modelu, který si student sám vymodeluje. Odtud získá rozměrové a hmotnostní parametry. Z předešlých výpočtů kinematiky klikového mechanismu zase určí rychlosti a zrychlení.
Silové poměry v klikovém mechanismu
Obrázek: Síla na píst vlivem tlakového média
 
 
 
 
 
 
 
 
Setrvačná síla posuvných hmot
Obrázek: Setrvačná síla posuvných hmot
 
 
 
 
 
 
 
 
Odstředivá síla rotujících hmot
Zde musíme těleso kliky rozdělit na elementy a určit jejich hmotnosti mi a vzdálenost ri od osy otáčení.
Obrázek: Odstředivá síla rotujících hmot
Pro rychloběžné spalovací motory bývá mos = 0,3mo, mor = 0,7mo, kde mo je hmotnost kompletní ojnice.
 
 
 
Výsledná síla na píst
Obrázek: Výsledná síla na píst
Rozklad síly na pístním čepu
 
 
Síly na klice
Vyvažování
Obrázek: Vyvažování
Nevyvážená složka FCsv se u vertikálních strojů zachycuje základovými šrouby.
U horizontálních strojů se v praxi vyvažuje jen ms/2.  

Kapitola 4: Cvičení

  1. Navrhněte pomocí programu Microsoft Excel základní rozměry pracovních částí klikového mechanismu dvoutaktního jednoválcového vznětového motoru dle zadání. Zadání: dle vyučujícího
  2. Vytvořte pomocí programu Inventor 3D model sestavy vznětového motoru a výrobní výkres pístu.

Kapitola 5: Kontrolní otázky

  1. Jaký je rozdíl mezi zážehovým a vznětovým motorem?
  2. Jaký je rozdíl mezi dvoutaktním a čtyřtaktním motorem?
  3. Jaké jsou cesty pro zvyšování výkonu současných vznětových motorů?

Kapitola 6: Autotest

  1. Jaké účinnosti může v současnosti dosahovat vznětový motor?



     
  2. Kterou součástku nenajdeme ve vznětovém motoru?



     
  3. Pístní čep kontrolujeme na...



     
  4. Jakým způsobem kontrolujeme ojnici, když λ < 60?



     
  5. Z jakého materiálu se v současnosti vyrábí hlava válců u vznětových motorů?



     

Lekce 7: Zážehový motor

Tato lekce popisuje základní postup při návrhu a konstrukci vznětových motorů.

Kapitola 1: Princip funkce stroje a jeho použití

Pístový spalovací stroj je tepelný motor, kde se část energie vzniklá spálením paliva přemění v tlakovou energii. Tato energie se pomocí vhodného mechanismu mění na mechanickou energii. Jako nejpoužívanější mechanismus k přeměně tlakové energie na mechanickou, se v současné době používá klikový mechanismus.
Přeměna energie se děje změnami stavu plynu, které tvoří tzv. tepelný oběh. Blížíš údaje viz TERMOMECHANIKA PAR A PLYNŮ.
Zážehový motor [9] je spalovací motor, u něhož je směs paliva a vzduchu ve válci zapálena (zažehnuta) elektrickou jiskrou, kterou obvykle vytvoří zapalovací svíčka. Tím se liší od vznětového motoru, kde dochází k samovznícení vstříknutého paliva díky teplotě stlačeného vzduchu. Pracují s nižším kompresním tlakem, nejvyšší točivý moment a výkon leží ve vyšších otáčkách, jejich chod je tichý a pravidelný. Pro správnou funkci zážehových spalovacích motorů je důležitá odolnost paliva proti samovznícení, kterou udává oktanové číslo. Oproti vznětovému motoru má však nižší účinnost. 

Kapitola 2: Základní části stroje

Vlastní provedení 3D modelu zážehového motoru (motor Škoda 105):
DWF - Zážehový motor
Flash animace postupů tvorby jednotlivých částí stroje
Obrázek: Sestava motoru - Škoda 105
 
Obrázek: Sestava motoru - popis jednotlivých částí
 
Obrázek: Vnitřní části motoru
 
Obrázek: Vnitřní části motoru - klikový mechanismus
 
Obrázek: Blok motoru - horní pohled
 
Obrázek: Blok motoru - spodní pohled
Obrázek: Válec
Obrázek: Ventilová hlava - spodní pohled
 
Obrázek: Klikový hřídel
 
Obrázek: Ojnice
 
Obrázek: Rozvody v hlavě
 
Obrázek: Píst v řezu a vačkový hřídel
 
Obrázek: Rozvodový mechanismus
 
Obrázek: Detail rozvodového mechanismu v hlavě   

Kapitola 3: Návrh základních rozměrů pracovních částí

VÝPOČET HLAVNÍCH ROZMĚRŮ SPALOVACÍHO MOTORU
Jako vstupní hodnoty při výpočtu bývají požadovaný výkon motoru (kW), a jeho otáčky (1/s).
Z těchto hodnot také vychází základní výpočet. Je jasné, že lze výpočet také obměnit, že např. z průměru pístu, počtu válců, střednímu tlaku atd. můžeme zase určit výkon.
Při odvození rovnic pro stanovení hlavních rozměrů motoru vycházíme z následujících vztahů.
Pro výkon platí
Kde
Vzhledem ke skutečnosti, že hodnota tlaku plynu se při pohybu pístu mění, zavádíme tzv. pstř. Určení této hodnoty je na základě tzv. Indikátorových diagramů.
Platí tedy
Vzhledem k tomu, že i okamžitá rychlost pístu se mění v závislosti na okamžité velikosti úhlu natočení kliky klikového hřídele, zavedeme tzv. střední rychlost pístu vstř.
Při otočení klikového hřídele o jednu otáčku, urazí píst dráhu 2 krát zdvih L. Toto se odehraje za jednu sekundu tolikrát, kolik má hřídel otáček za sekundu.
Platí tedy
Pro výkon tedy máme rovnici
U čtyřtaktního motoru je jen jeden takt pracovní, to znamená, že na dvě otáčky připadá jen jeden pracovní takt. Dostaneme tedy jen čtvrtinu tohoto výkonu.
Pokud bude mít motor více válců, tak celkový výkon bude vynásoben počtem válců i.
Zavedeme-li součinitel λ = L/D → L = λ.D
Pro součinitel λ = L/D platí:
 
λ >1
nadčtvercový motor
λ =1
čtvercový motor
λ <1
podčtvercový motor
Po dosazení obdržíme
Další rozměr odvodíme z následujícího vztahu
Tím máme dva základní rozměry pro návrh uvedeného motoru.
Pro výpočty uvádíme následující doporučené údaje. Je nutno k těmto doporučeným hodnotám přistupovat s vědomím, že technický vývoj v oboru spalovacích motorů udělal velký vývojový skok. Většina těchto údajů může být již v dnešní době podstatně jiná. Proto je nutno si zjistit upřesňující hodnoty v nejnovější technické literatuře, nebo prostřednictvím Internetu. Je ale skutečností, že tyto hodnoty se spíše zjistí v motoristických časopisech než u výrobců. Tito uvedené údaje považují za firemní tajemství.
Doporučení pro výpočet
Hlavní určující rozměry jsou Dpístu a zdvih L.
Při výpočtu obvykle vycházíme z požadovaného výkonu a druhu motoru.
Počet válců
Čím je počet válců větší, tím je chod motoru pravidelnější, lépe se spouští a vyvažuje. Má také menší rozměry a tím i menší hmotnost. Pochopitelně jsou i vyšší výrobní náklady a tím i cena.
Volba součinitele λ
Pro zážehový motor se doporučuje λ = 0,6 až 1,1.
Pro vznětový motor se doporučuje λ = 0,9 až 2,2.
Čím je součinitel λ menší, tím je vrtání válců větší. Lze tedy použít více ventilů. Je také menší střední rychlost pístů a klikový mechanismus má větší tuhost.
 
Volba počtu otáček
Se vzrůstajícím počtem otáček dochází ke zmenšení rozměrů motoru a tím i hmotnosti. Pochopitelně je zde vyšší požadavek na přesnost výroby, vyvážení klikového mechanismu, ložiska a chlazení.
 
DRUH MOTORU
OTÁČKY f (1/s)
motocyklové
80 až 150
osobní automobily
60 až 90
zážehové nákladní automobily
50 až 70
vznětové nákladní automobily
30 až 50
sportovní vozidla
150 až 300
traktory
15 až 30
 
Volba střední pístové rychlosti
Nižší rychlosti pístu snižují setrvačné síly v klikovém mechanismu a namáhání klikového mechanismu.
 
DRUH MOTORU
vstř (m/s)
stacionární pomaluběžné
4 až 6
stacionární rychloběžné
6 až 8,5
osobní automobily
8 až 15
nákladní automobily
7 až 13
traktory
5 až 7,5
sportovní a závodní vozy
18 až 22
letecké motory
10 až 15
 
DRUH MOTORU
Pstř (MPa)
vozidlové zážehové čtyřdobé
0,4 až 0,9
vozidlové vznětové čtyřdobé
0,6 až 0,8
vozidlové vznětové čtyřdobé přeplňované
1 až 1,5
dvoudobé zážehové
0,4 až 0,5
dvoudobé vznětové
0,3 až 0,4
dvoudobé vznětové s přeplňováním
0,6 až 0,9
 
PRO OPAKOVANÉ VÝPOČTY JE VHODNÉ POUŽÍT TABULKOVÝ PROCESOR (EXCEL).
Pro čtyřdobý motor bude tedy výpočet hlavních rozměrů následující (následuje číselný výpočet):
Následuje obdobný výpočet pro dvoudobý motor:
 
Z UVEDENÉHO JE ZŘEJMÁ VELKÁ VÝHODA VÝPOČTŮ V TABULKOVÝCH PROCESORECH. NASKÝTÁ SE ZDE MOŽNOST POMOCÍ OPAKOVANÝCH VÝPOČTŮ, ZVOLIT OPTIMÁLNÍ HODNOTU.
Písty a příslušenství
Vlastní pracovní prostor pístového stroje je tvořen válcem, víkem válce a pohyblivým pístem. Dle stroje na píst tlačí tlak media, píst vykonává vratný pohyb a přenáší jej na další členy klikového hřídele. Pochopitelně tento mechanismus může pracovat jako motor, kde příčinou pohybu je tlak media na píst nebo jako čerpací agregát (čerpadlo, kompresor…), kde příčinou pohybu je otáčivý pohyb klikového hřídele, který je vyvolán jiným zdrojem rotačního pohybu. Vzhledem k tomu, že tvary pístů a jejich materiály se mění dle druhu stroje, budeme se zabývat jen tím, co je všem společné. Tímto bezesporu jsou pístní čepy, které zprostředkovávají přenos síly z pístu na ojnici či naopak.
 
 
 
 
 
 
Pístní čep
Pístní čep přenáší nejen sílu vznikající vlivem tlaku media na píst, ale také setrvačné síly, které vznikají vlivem funkce klikového mechanismu.
Pístní čep se kontroluje:
a) na ohyb
b) na otlačení v ojničním oku
c) na otlačení v okách pístu
Je pochopitelné, že uváděné hodnoty dovolených tlaků jsou orientační. Skutečné hodnoty je třeba zjistit na základě výsledně zvolených materiálů.
 
Pístní kroužky
Nejčastěji se písty utěsňují kovovými rozříznutými kroužky, které samočinně těsní.
Pístní kroužky se dělí na:
a) těsnící, zamezující pronikání plynů z pracovního prostoru nad pístem do prostoru klikové skříně
b) stírací, zamezující pronikání oleje z prostoru klikové skříně do pracovního prostoru, propouští jen malé množství oleje k mazání kluzné plochy válců.
Rozměry kroužků se volí podle ČSN (t - tloušťka, v - výška). Pro návrh slouží tyto vzorce:
 
 
 
 
Ojnice
Spojuje pístní čep s klikovým čepem. Skládá se ze dvou ojničních hlav (klikové a pístní) a dříku.
Hlavy mohou být dělené nebo uzavřené. Mohou být vybaveny kluznými nebo valivými ložisky.
Pevnostní výpočet
Ojnice je namáhána tlakem plynů ve válci, setrvačnou silou na tah, tlakem plynů na vzpěr a odstředivou silou na ohyb. U dvojčinných strojů ještě přistupuje namáhání tlakem plynů na tah.
Volíme tvar průřezu dříku ojnice. Stanovíme jeho Jx, Jy a S. Na základě teorie vzpěrné pevnosti určíme lred. v příslušných rovinách.
a) Pro λ < 60 kontrolujeme průřez dříku na prostý tlak
b) Pro λ = 60 až 105 se kontrolujeme průřez dříku na vzpěr podle Tetmajera
c) Pro λ < 105 se kontrolujeme průřez dříku na vzpěr podle Eulera
Kde Jx a Jy jsou kvadratické momenty průřezu k osám x a y.
kT a kE – součinitelé bezpečnosti (6 až 60 dle podmínek)
d) Kontrola dříku ojnice na ohyb vlivem odstředivé síly
Za předpokladu, že průřez dříku se po délce příliš nemění je rozdělení síly podél ojnice trojúhelníkového tvaru. Síla F namáhající ojnici na ohyb působí v těžišti trojúhelníka.
Ohybový moment v libovolném místě ojnice:
Návrh a kontrolní výpočet klikového mechanismu
Na obrázku je znázorněn řez části klikového mechanismu s označením rozměrů důležitých pro další výpočet.
Vzhledem k tomu, že zatím nemáme dané podklady o hmotnosti jednotlivých dílů, budeme zatížení určovat jen na základě tlaku na píst.
 
 
 
 
 
 
 
 
 
 
 
 
 
Kontrola pístního čepu na ohyb
 
 
 
 
 
 
 
 
 
 
 
 
 
 
 
 
 
 
 
 
 
 
 
 
 
Předpokládaný postup výpočtu dříku ojnice
Nejprve jsme stanovili základní rozměry ojnice, nyní se budeme věnovat volbě dříku ojnice. Vzhledem ke způsobu uložení ok ojnice je dle teorie vzpěru rozdílný způsob uchycení těchto ok ve dvou na sebe kolmých rovinách.
Obrázek: Namáhání ojnice v rovinách A a B
Z vyobrazení je zřejmé, že v případě souměrného průřezu dříku (např. kruhový průřez), by tuhost dříku ve směru (dle B) byla čtyřikrát větší než v rovině kolmé na tento směr.
Je celá řada vhodných průřezů, které jsou navrženy tak, aby splňovaly podmínku stejné tuhosti v obou hlavních rovinách kyvu ojnice.
Zvolíme si následující tvar - profil H.
Vzhledem k tomu, že výpočet pomocí Steinerovy věty většině studentům působí potíže, je zvolen postup, kdy výsledný obrazec rozdělíme do dílčích obrazců, které mají těžiště plochy na příslušné ose, ke které stanovujeme kvadratický moment plochy.
Z následujícího obrázku je postup zřejmý.
Obrázek: Stanovení kvadratických momentů plochy (průřezu) 
Po vymodelování jednotlivých součástí klikového mechanismu je možno určit jejich hmotnosti, polohy jejich těžišť a další potřebné hodnoty pro určení dynamického chovaní mechanismu.
 
 
 
 
 
 
 
 
 
 
 
 
 
 
 
Program výpočtu:
Výpočet:
Kinematika klikového mechanismu
Obrázek: Kinematika klikového mechanismu
Základní vztahy pro pohyb klikového mechanismu
Dráha pístu v libovolném místě:
Pro výpočet použijeme tab. procesor EXCEL.
Musíme si nejprve stanovit časový úsek, který bude základním parametrem tabulky. Vzhledem k tomu, že budeme chtít, abychom měli hlavně údaj na točení úhlu kliky, vyjdeme z následující úvahy.
Klika se nám otočí za jednu sekundu f krát (f - jednotka 1/s). Tím urazí celkový úhel φ. Pokud chceme, aby úhlový úsek byl např. 5°, musíme provést následující výpočet:
Mějte tedy požadavek na výpočet průběhu dráhy po kroku 5°, kdy ž f = 20 (1/s)
 
 
 
 
 
 
 
 
 
 
 
 
 
 
 
 
 
 
 
 
 
Po těchto úvodních výpočtech můžeme přistoupit k výpočtům pomocí tabulky v EXCELU.
Průběh dráhy pístu
Z tabulky je zřejmé, že algoritmus výpočtu se od řádku 18 opakuje. Takže stačí naprogramovat řádky 2 až 18. Potom další řádky vytvoříme kopírováním řádku 18.
Číselný výpočet je následující
Obrázek: Graf průběhu dráhy pístu
Obdobně získáme další tabulku pro rychlost pístu:
Z tabulky je zřejmé, že algoritmus výpočtu se od řádku 18 opakuje. Takže stačí naprogramovat řádky 2 až 18. Potom další řádky vytvoříme kopírováním řádku 18.
Číselný výpočet je následující: 
Obrázek: Graf průběhu rychlosti pístu
Obdobně získáme další tabulku pro zrychlení pístu:
Z tabulky je zřejmé, že algoritmus výpočtu se od řádku 18 opakuje. Takže stačí naprogramovat řádky 2 až 18. Potom další řádky vytvoříme kopírováním řádku 18.
Číselný výpočet je následující:
Obrázek: Graf průběhu zrychlení pístu
Následující pojednání o silách působících v klikovém mechanismu bude vyloženo pouze teoreticky. Výpočty jsou totiž poměrně jednoduché a pro správné výsledky je třeba dosazovat skutečné číselné hodnoty. Tyto lze získat z 3D modelu, který si student sám vymodeluje. Odtud získá rozměrové a hmotnostní parametry. Z předešlých výpočtů kinematiky klikového mechanismu zase určí rychlosti a zrychlení.
Silové poměry v klikovém mechanismu
Obrázek: Síla na píst vlivem tlakového média
 
 
 
 
 
 
 
 
Setrvačná síla posuvných hmot
Obrázek: Setrvačná síla posuvných hmot
 
 
 
 
 
 
 
 
Odstředivá síla rotujících hmot
Zde musíme těleso kliky rozdělit na elementy a určit jejich hmotnosti mi a vzdálenost ri od osy otáčení.
Obrázek: Odstředivá síla rotujících hmot
Pro rychloběžné spalovací motory bývá mos = 0,3mo, mor = 0,7mo, kde mo je hmotnost kompletní ojnice.
 
 
 
Výsledná síla na píst
Obrázek: Výsledná síla na píst
Rozklad síly na pístním čepu
 
 
Síly na klice
Vyvažování
Obrázek: Vyvažování
Nevyvážená složka FCsv se u vertikálních strojů zachycuje základovými šrouby.
U horizontálních strojů se v praxi vyvažuje jen ms/2. 

Kapitola 4: Cvičení

  1. Navrhněte pomocí programu Microsoft Excel základní rozměry pracovních částí klikového mechanismu čtyřtaktního čtyřválcového zážehového motoru dle zadání. Zadání: dle vyučujícího
  2. Vytvořte pomocí programu Inventor 3D model sestavy zážehového motoru a výrobní výkres ojnice.

Kapitola 5: Kontrolní otázky

  1. Jaký význam má počet ventilů na jeden válec?
  2. Jaké existují alternativy ke spalovacím motorům?
  3. Jakou cestou se dosahuje při konstrukci zážehových motorů vyšších otáček?

Kapitola 6: Autotest

  1. Jaké konstrukční řešení se v současnosti používá pro zážehové motory?



     
  2. Který z výrobců se zabývá výrobou vstřikovacích jednotek?



     
  3. Jakých maximálních otáček dosahují v současnosti čtyřválcové čtyřtaktní zážehové motory u sériově vyráběných osobních automobilů?



     
  4. V jakém poměru se přidává u dvoutaktních motorů olej do benzínu?



     
  5. Která součástka zajišťuje zpětný chod ventilu u čtyřtaktního motoru?



     

Lekce 8: Literatura

  1. FOŘT, P., KLETEČKA, J. Autodesk Inventor: funkční navrhování v průmyslové praxi. 2. vyd. Brno: Computer Press, 2007. 318 s. ISBN 978-80-251-1773-6.
  2. KŘÍŽ, R. Stavba a provoz strojů I : části strojů - pro 2. roč. SPŠ. Část 1. 1. vyd. Praha: Scientia, 1995. 92 s. ISBN 80-7183-023-2.
  3. KŘÍŽ, R. Stavba a provoz strojů I : části strojů - pro 2. roč. SPŠ. Část 2. 1. vyd. Praha: Scientia, 1996. 81 s. ISBN 80-7183-038-0.
  4. KŘÍŽ, R. Stavba a provoz strojů I : části strojů - pro 2. roč. SPŠ. Část 3. 1. vyd. Praha: Scientia, 1997. 77 s. ISBN 80-7183-039-9.
  5. KŘÍŽ, R. Stavba a provoz strojů I : části strojů - pro 2. roč. SPŠ. Část 4. 1. vyd. Praha: Scientia, 1997. 65 s. ISBN 80-7183-108-5.
  6. SKOPAL, V., ADÁMEK, J., HOFÍREK, M. Stavba a provoz strojů 4: Učeb. text pro 4. roč. stř. prům. šk. stroj. Konstrukční uspořádání, provoz a údržba strojů. 2. upr. vyd. Praha: SNTL, 1987.
  7. Pístové čerpadlo. [online]. cit. [2010-10-23]. Dostupné z: .
  8. Vznětový motor. [online]. cit. [2010-10-23]. Dostupné z: .
  9. Zážehový motor. [online]. cit. [2010-10-23]. Dostupné z: .
  10. Ruční pumpy. [online]. cit. [2010-10-23]. Dostupné z: .
  11. Čerpadlo - slovník pojmů. [online]. cit. [2010-10-23]. Dostupné z: .
  12. Školní encyklopedie - Vznětový motor. [online]. cit. [2010-10-23]. Dostupné z: .